毕业实习是每个大学生必须经过的一段经历,它使我们在工作实践中了解社会,从社会中学到了课堂上学不到的知识,而且更能加深我们对课堂上知识的理解,为以后进一步不如社会打下了坚实的基础。今天小编整理了1篇关于数字钟电子制作实习报告,供大家参考。
一、实习目的
了解常用电子元器件的性能,规格,质量参数及其意义.学习借助万用表鉴别其性能好坏的方法,学习通孔插装元器件的组装焊接技术,提高焊接水平.通过数字钟组状与调试学习,提高识图能力及实际操作技能.
二. 实习内容:
1. 常用元器件识别及测试性能鉴别
2. 通孔插装元器件手工焊接及拆焊
3. 数字钟组装调试
三、实习过程
1 数字电子钟的电路原理图

2 工作原理
数字电子钟由多谐振荡器、计数器、显示译码器、显示器和校时电路组成。多谐振荡器产生秒脉冲信号,秒脉冲送入计数器计数,计数结果通过“时”、“分”、“秒”显示译码器译码,由显示器显示时间。
2.1 多谐振荡器与分频电路
多谐振荡器与分频电路。多谐振荡器是一种能产生矩形波的自激振荡器,也称矩形波发生器。“多谐”指矩形波中除了基波成分外,还含有丰富的高次谐波成分。
多谐振荡器没有稳态,只有两个暂稳态。在工作时,电路的状态在这两个暂稳态之间自动地交替变换,由此产生矩形波脉冲信号,常用作脉冲信号源及时序电路中的时钟信号。数字时钟里用的是555定时器构成的1khz多谐振荡器。可调电阻Rw可以改变输出信号的频率。
电路接通电源的瞬间,由于电容C来不及充电,Vc=0v,所以555定时器状态为1,输出Vo为高电平。同时,集电极输出端(7脚)对地断开,电源Vcc对电容C充电,电路进入暂稳态I,此后,电路周而复始地产生周期性的输出脉冲。多谐振荡器两个暂稳态的维持时间取决于RC充、放电回路的参数。
多谐振荡器与分频电路为计数器提供计数脉冲和为校时电路提供校时脉冲。多谐振荡器的振荡频率设计为2Hz,R为51KΩ,RW大约为50 KΩ,C为4.7μF。
多谐振荡器产生的2Hz脉冲信号为校时电路的校时脉冲。2Hz脉冲信号经过CD4013组成的分频器,进行2分频,输出1 Hz的秒脉冲为计数器的计数脉冲。
555定时器的引脚图如图2.3所示。555定时器是一种模拟电路和数字电路相它由分压器,比较器,基本R--S触发器和放电三极管等部分组成.分压器由三个5的等值电阻串联而成.分压器为比较器,提供参考电压,比较器的参考电压为,加在同相输入端,比较器的参考电压为,加在反相输入端.比较器由两个结构相同的集成运放,组成.高电平触发信号加在的反相输入端,与同相输入端的参考电压比较后,其结果作为基本R--S触发器端的输入信号;低电平触发信号加在的同相输入端,与反相输入端的参考电压比较后,其结果作为基本R—S触发器端的输入信号.基本R--S触发器的输出状态受比较器的输出端控制。
每个触发器有独立的数据、置位、复位、时钟输入和Q及Q输出,此器件可用作移位寄存器,且通过将Q输出连接到数据输入,可用作计算器和触发器。在时钟上升沿触发时,加在D输入端的逻辑电平传送到Q输出端。
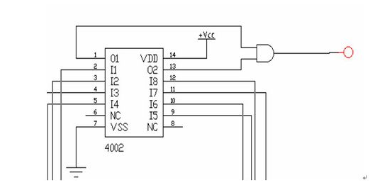
置位和复位与时钟无关,而分别由置位或复位线上的高电平完成。CD4013引脚,一个D有6个端子:2个输出,4个控制。4个控制分别是R、S、CP、D。R和S不能同时为高电平。
当R为1、S为0时,输出Q一定为0,因此R可称为复位端。当S为1、R为0时,输出Q一定为1。当R、S均为0时,Q在CP端有脉冲上升沿到来时动作,具体是Q=D,即若D为1则Q也为1,若D为0则Q也为0。
2.2计数、译码显示电路
计数、译码器显示电路如图2.5所示。计数器由秒计数器、分计数器、和时计数器串联组成。秒计数器和分计数器为60进制计数器,由一个十进制计数器和一个六进制计数器串联组成。时计数器为24进制计数器,由两个十进制计数器串联并利用反馈接成24进制计数器。秒计数器、分计数器、和时计数器的使用计数器CD4026,CD4026具有显示译码功能,输送给各自的数码管,显示出时、分、秒的计时。这种计数器的设计可采用异步反馈置零法,先按二进制计数级联起来构成计数器,当计数状态达到所需模值后,经门电路译码、反馈,产生“复位”脉冲将计数器清零,然后重新开始进行下一循环。
2.2.1 LED数码管
LED数码管实物图如图2.10所示,数码管内部就是LED灯的组合。LED数码管里面有八个发光二极管。引脚分别记作a、b、c、d、e、f、g、bd,其中bd是小数点,abcdefgh 分别控制8个段,称段码。数码管的3、8脚是公共端,公共端可以用三极管控制是否连接电源,由此可以控制整个数码管点亮或熄灭。如果多个数码管一起使用,如8个,这个端口就用来选择需要使用的数码管的位,即第几位数码管起作用。常用的LED数码管有两种,一种是共阳极一种是共阴极的。将多只LED的阴极连在一起即为共阴式,而将多只LED的阳极连在一起即为共阳式。以共阴式为例,若把阴极接地,在相应段的阳极接上正电源,该段即会发光。共阴极数码管原理说明:共阴极数码管中各段发光二极管的伏安特性和普通二极管类似,只是正向降较大,正向电阻也较大。在一定范围内,其正向电流与发光亮度成正比。由于常规的数码管用电电流只有1~2 mA,最大极限电流也只有10~30 mA,所以它的输入端在5 V电源或高于TTL高电平(3.5 V)的电路信号相接时,一定要串加限流电阻,以免损坏器件。
2.3 校时电路
当时钟走时不准时,需要进行校时,应截断分个位和时个位的直接计数通路,并采用正常计时信号与校正信号可以随时切换的电路接入其中。校时电路如图2.11所示。由与非门和二个开关组成,实现对“时”、“分”的校准。当校时开关K1、K2扳到A端时,校时的2Hz脉冲输送到时计数器和分计数器个位的CP端,进行时计数器和分计数器
“时”、“分”的校准。当校时开关K1、K2扳到B端时,时计数器和分计数器的进位脉冲输送到时计数器和分计数器个位的CP端,时钟正常计时。
2.4 数字钟整体电路工作原理
数字钟首先由多谐振荡器产生秒脉冲信号,通过CD4013的Q输入到CD4026的CP中,到计数器中进行计数。秒、分、时的计数器使用的是CD4026计数器。秒计数器和分计数器为60进制计数器,由一个十进制计数器和一个六进制计数器串联组成。时计数器为24进制计数器,由两个十进制计数器串联并利用反馈接成24进制计数器。同时CD4026有译码功能,输送给各个数码管显示时间。当计数状态达到所需模值后,经门电路译码、反馈,产生“复位”脉冲将计数器清零,然后重新开始进行下一循环。当时钟走时不准就需要校时。校时电路用与非门和两个开关组成实现对“时”、“分”的校准。当校时开关K1、K2扳到A端时,校时的2Hz脉冲输送到时计数器和分计数器个位的CP端,进行时计数器和分计数器 “时”、“分”的校准。当校时开关K1、K2扳到B端时,时计数器和分计数器的进位脉冲输送到时计数器和分计数器个位CP端,时钟正常计时。
3 元件表
数字电子钟的元件表如表3.1所示。

4 电路的布局与布线设计
电路的布局与布线设计如图4.1。数字钟有六个数码管分别用来显示时、分、秒,为了便于观看,将六个数码管整齐排成一排到万能板上。CD4026芯片是时、分、秒的0计数器,同时有译码功能,可以将传来的信号显示到数码管上,所以将六个CD4026排到数码显示管的下面,便于连线。然后将CD4069和CD4073排列到CD4026几个中下方,便于连线。接着需要连接校时电路,将校时电路按图所给的连接起来。由于555定时器构成的多谐振荡器产生秒脉冲,所以将555定时器放到秒计数器的下方,以减少连线。之后由电路图确定清零的电路连接位置,然后将它连好。为了减少连线,我们选择在电路中额外加六根导线做正负极。
5 电路的组装与调试
首先数码管安装到事先焊好的插槽上,然后,对照电路图确定好各个芯片所在的位置,按照对应的引脚插到插槽上,最后将电源开关焊接到电路板上,控制整个电路的开关。
调试时按照以下步骤进行调试:
(1)首先调试多谐振荡器。用示波器观察多谐振荡器输出波形,确定多谐振荡器是否正常工作,振荡频率是否是2Hz。调节电位器RW,使多谐振荡器产生频率为2Hz的方波信号。
(2)调试分频器。用示波器观察分频器输出波形,确定信号频率是否是1Hz。
(3)调试计数、译码显示电路。将秒信号输送给秒计数器、分计数器、和时计数器,观察各计数器是否工作正常。
(4)调试校时电路。观察校时电路是否起到校时作用。
(5)整体调试。各部分电路连接起来,观察电子钟是否正常工作。
6 电路出现的问题及解决
(1)电路制作好后,接上电源,整个电路没任何反应。可能的问题出在电源的上线上,正负电线被焊锡粘到一起,造成整个电路短路。解决:使正负电源线分开。
(2)数码管的显示有的不亮。问题可能是出现虚焊。解决:重新再焊一遍。
(3)时钟的“时”没有实现进位。问题出在“时”的个位数码管的f,g没有和CD4026的f,g接在一起,而是十位的f,g和CD4026的f,g接到了一起。解决:将接在十位的两条线断开,将个位的f,g接到CD4026f,g接起来。
(4)接通电源后,时钟的秒的个位走时时数码管时亮时不亮。解决:从正面图看,数码管插反了,倒过来插,就正确了。
7 实习的收获
经过两个星期的实习,过程曲折可谓一语难尽。在此期间我 也失落过,也曾一度热情高涨。从开始时满富激情到失落想放弃到自己的默默流泪到最后汗水与泪水的结晶的背后的复杂心情,点点滴滴无不令我回味无长。
生活就是这样,汗水预示着结果也见证着收获。认识来源于实践,实践是认识的动力和最终目的,实践是检验真理的唯一标准。在此次的数字钟设计过程中,使我更进一步地熟悉了芯片的结构及掌握了各芯片的工作原理和其具体的使用方法。让我深知其实表面看起来很简单的东西,到了实际动手制作中就会发现,没有想象的那么容易,要考虑到各引脚的位置进行连线,否则线会很多乱成一团。在设计的过程中遇到问题,可以说得是困难重重,这毕竟第一次做的,难免会遇到过各种各样的问题,自己的独立思考最终将问题解决。这次的实习确实让我受益匪浅。
本站内容如无特别说明,均来自网络和网友投稿!如侵犯了您的权利,请联系我们删除。
- 上一篇:秦州社区财务收支审计报告
- 下一篇:公司工程师转正个人述职报告